-
Various material separator of lead acid battery
To prolong the cycle life of VRLA (Valve Regulated Lead-Acid) batteries, it is essential to ensure that the plates remain in a compressed state throughout the battery cycling proce...- Industry news
- By: JinHan
- Jan 29,2024

-
Indian Government Proposes New Policy to Boost Electric Vehicles and Lead Acid Battery Recycling
In a bold and comprehensive move towards sustainable transportation solutions, the Indian government has proposed a visionary policy aimed at accelerating the ad...- Industry news
- By: JinHan
- Jan 22,2024

-
Global Lead Acid Battery Market Surges
The global lead acid battery market is experiencing an unprecedented surge, with projections indicating a valuation surpassing USD 63.44 billion by 2028. This me...- Industry news
- By: JinHan
- Jan 15,2024

-
Innovative Design Strategies Unveiled for Maintenance-Free Lead-Carbon Batteries
In a groundbreaking development poised to redefine the landscape of energy storage, a recent article published in Electrochemical Energy Reviews explores innovat...- Industry news
- By: JinHan
- Jan 08,2024

-
Warmly celebrate the grand opening of the 40th Harbin International Ice and Snow Festival in China
In a spectacle that captivates both locals and visitors alike, the 40th Harbin International Ice and Snow Festival in China has officially opened its doors, ushering in a winter wo...- Company News
- By: JinHan
- Jan 05,2024

-
Can gel batteries be filled with water?
The colloidal battery uses a type of gel-like electrolyte. There is no free liquid inside, but there is a certain amount of "free water". The main components of the collo...- Industry news
- By: JinHan
- Jan 01,2024

-
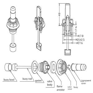
Battery Flame Arrestors: Enhancing Safety in Energy Storage
What Is a Battery Flame Arrestor?A battery flame arrestor is a small but mighty device designed to prevent the propagation of flames and explosive gases from spreading beyond a bat...- Industry news
- By: JinHan
- Dec 18,2023

-
Some factors to consider when choosing a battery vent plug
Selecting the right battery vent plug is crucial for maintaining the safety and longevity of your energy storage system. Here are some factors to consider when choosing a batt...- Industry news
- By: JinHan
- Dec 11,2023

-
Unveiling the Magic of AGM Battery Separators: Powering a Cleaner Future
In an era where clean and efficient energy storage is paramount, the Absorbent Glass Mat (AGM) battery separator has emerged as a star player in the world of battery technology. Th...- Industry news
- By: JinHan
- Dec 04,2023

-
How to select the right battery separator
Selecting the right battery separator is essential to ensure the performance and safety of your battery. Battery separators are crucial components that prevent the short-circuiting...- Industry news
- By: JinHan
- Nov 27,2023

-
Battery Vent Plugs: Small Device, Big Impact on Battery Safety
In the world of battery technology, it's often the smallest components that make the biggest difference. Case in point: battery vent plugs. These unassuming devices are making ...- Industry news
- By: JinHan
- Nov 20,2023

-
Judging the quality of a PE battery separator in a lead-acid battery involves assessing several key factors:
Judging the quality of a PE battery separator in a lead-acid battery involves assessing several key factors:1. High-quality PE separators are made from premium-grade polyethyl...- Industry news
- By: JinHan
- Nov 13,2023


English
Russian
Portuguese
Arabic
Bangla
Indonesian




